地址:深圳市龍崗區環城南路5號坂田國際中心C1棟337
電話:0755-83003780
郵箱:sales@andiantech.com ;dg@andiantech.com
2021-07-20 11:48:08
高效可靠的隔離特性對于各種現代復雜電氣應用(如電動汽車,太陽能電池板系統,醫療以及測試和測量)的精確功能和安全是關鍵的。當兩個電網需要互相連接時,出于安全原因,隔離電壓比監測電路的實際標稱電壓要高三到四倍。例如:電動汽車電池管理系統(BMS)。干簧繼電器技術憑借其高介電強度和開路狀態下可以忽略不計的漏電流,為隔離測量提供了卓越的品質。
隨著電動汽車和光伏系統中的儲能電池的使用日益增多,對儲能電池的電存儲容量,功率,壽命和安全性有了更高的要求。電動汽車當前的趨勢是將6-24VDC的單個蓄電池連接起來并且堆疊成電池陣列來確保有高達200-800VDC的系統電壓來提供足夠的容量和功率,同時降低所需的電流。這種高電壓和電流需要通過BMS單元進行精確監測 ,不僅要最大限度提高電池效率,主要還是確認使用者的安全和系統可靠性。此外,還必須定期監控電池陣列在相關電路和底盤中的隔離和泄漏電流,以防止任何故障和安全風險。

然而,在更高電壓下運行的其他應用也需要更高的隔離度,例如太陽能發電廠。目前,在光伏電網中大量使用無變壓器逆變器,將交流電轉成直流電,最終將電力傳輸至國家電網。這些交流和直流電路通過逆變器互相連接并且必須在高達1500V的電壓下可靠的運行。由于缺少內部變壓器,在直流和交流電路之間沒有安全的電氣隔離,因此需要進行常規的絕緣測試,例如在電動汽車的電池系統中。不適當的絕緣不止會導致電流泄露和能量損失,而且在安全性方面也會構成嚴重威脅。
干簧繼電器的描述
標準的干簧開關是由被稱為簧片兩個軟磁金屬合金觸點所組成。簧片被放置在密封且充滿惰性氣體或者真空的玻璃體中。這種設計可以完美的保護觸點不受到的腐蝕侵害或任何外部環境因素影響、真空的內部環境在打開的簧片之間起著高質量絕緣體的作用,同時在閉合時具有理想的低接觸電阻(毫歐)。這不僅提供了具有500 VDC至15 kVDC的高電壓隔離的開放式簧片開關,而且在關斷狀態下可以達到1 - 100 TOhm的高接觸電阻。與基于半導體的開關元件(如固態繼電器或Photo-MOS)相比,這是一個顯著的優勢。

為了構建繼電器,將簧片開關插入銅線圈中,銅線圈的非接觸磁場激活其導磁葉片。將磁通量集中到簧片互相重疊區域的中點可以最有效地利用流過線圈的電流產生的磁通量,并且根據線圈尺寸通常有數十或數百毫瓦的低功耗。然后將干簧開關和線圈的組件封裝在外殼中以確保機械穩定性和抵抗沖擊、溫度、壓力和其他外部影響的能力。封裝通常通過使用灌封樹脂(例如聚氨酯)材料,或者用環氧樹脂注塑成型,適用于惡劣環境或生產過程,如回流焊接。最后,決定繼電器特性和參數的是整體形狀,外部尺寸和引腳布局,通過增加爬電距離和間隙距離可以提高絕緣性能。

KT干簧繼電器
這種平衡設計的更好例子之一是KT系列的干簧繼電器,它能夠切換1千伏直流電,同時擊穿電壓高達4.5千伏,線圈和觸點之間的絕緣強度為7千伏。獨特的引腳布局確保了滿足17 mm的爬電距離和12 mm的電氣間隙。 這種布局在符合國際安全標準的汽車,太陽能或醫療應用中特別有用。

一般而言,干簧繼電器是以其數百微秒范圍內的快速切換時間和超過機電繼電器的長壽命能力而聞名。 當設計帶干簧繼電器的電路時,必須考慮開關電壓和電流,為了防止過載電弧損壞開關的接觸區域。KT繼電器可以在 -40°C ~ +105°C的環境溫度下工作,并且它的內部溫度可以安全的達到125°C。
為了達到這些高標準, 該零件被列入國際認可的可燃性測試UL 94(Underwriters Laboratories Inc.?)。為了證明繼電器對振動,沖擊,濕度和溫度的可靠性和耐久性,它已成功按照AEC-Q200標準進行測試。這套規范作為質量標準正在被汽車行業采用,用于驗證和簡化產品接受和實施過程。

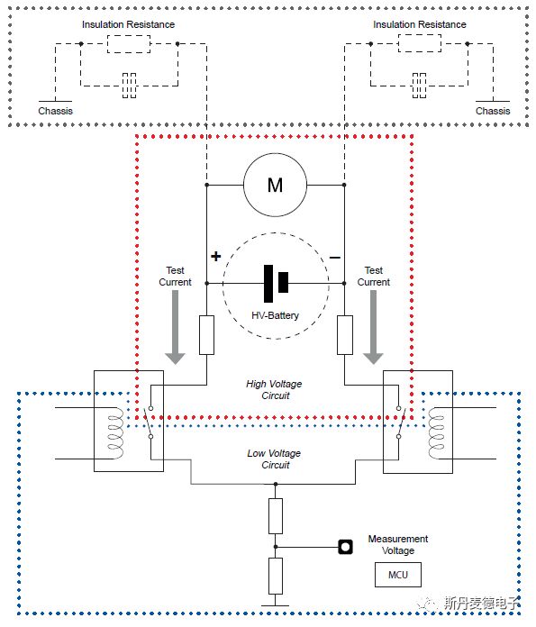
繼電器在電池管理系統中的應用示例
繼電器在電池管理系統(BMS)中的應用可以采取各種形式反映開發者的需求。然而,一般來說,繼電器連接在電池和通路之間的路徑中,并且用作電池的高電壓電路和測量微控制器單元的低電壓電路之間的分隔。當觸點斷開時,高擊穿電壓在兩個電路之間提供了完美隔離,因此它們不會相互干擾。
當繼電器啟動時,系統通過閉合觸點從一個或兩個電極中提取采樣電流。然后這個樣本通過MCU與參考電壓進行比較。 根據結果,系統可以評估電池的狀態。由于繼電器接觸電阻非常低,在幾十毫歐范圍內,所以不會影響測量結果。
總結
無論是電動汽車,光伏,醫療還是測試環境,所有應用都對繼電器提出了高可靠性,安全性和符合標準的要求。干簧繼電器是精確的開關元件,它將可靠性,快速開關時間和壽命與電氣和機械隔離特性完美結合,這些功能確保干簧繼電器很好地滿足現代電子設備的高要求。